Lompat ke konten Lompat ke sidebar Lompat ke footer

Skema Power Tef - Https Encrypted Tbn0 Gstatic Com Images Q Tbn And9gcqnw4ep5c6tbxbwo8 Qtb6e0krg4u2cx6unlrth38vo 1mcz2wv Usqp Cau / 500w 2000w power amplifier socl 504 electronic circuit.

Skema Power Tef - Https Encrypted Tbn0 Gstatic Com Images Q Tbn And9gcqnw4ep5c6tbxbwo8 Qtb6e0krg4u2cx6unlrth38vo 1mcz2wv Usqp Cau / 500w 2000w power amplifier socl 504 electronic circuit.. Jual ic ir2117 untuk driver power amp apex b500, b500 tef, h900 upload tr1 upload tr2: Jika kita belum paham mengenal jenis power tef ini, kemungkinan bakalan akan keliru dalam memasang tr finalnya. The following is a project of making this rocky tef power amplifier, starting from circuit scheme, pcb layout, and also there is video assembly, also testing power amplifier. To assemble this power amplifier is bothered easy, very simple schematics and components. When autocomplete results are available use up and down arrows to review and enter to select.

Perhatikan komponen skema amplifier jenis resistor berikut yang dilengkapi dengan gambar. Utk psu h900tef minimal pake… Electronica assalamualaikum pecinta mwb dan electronika. Liat setelah tr driver c4793/a1837 ada tr lagi c5200/a1943 tapi diemitornya pakai resistor 30 ohm yang dipararel r 22 ohm. Supaya tidak salah pasang tr final, berikut adalah gambar diagram koneksi tr final pada power amplifier tef.

Jual Power Ampli Socl Boom Tef Di Lapak Mas Fajar Elektronik Bukalapak
Jual Power Ampli Socl Boom Tef Di Lapak Mas Fajar Elektronik Bukalapak from s3.bukalapak.com
Update:khusus pada driver socl yang tampil di video, ada satu jalur yang lupa belum terhubung yakni jalur warna merah (resistor basis final yang bawah) dihub. Dan jangan lupa catat alamat blog ini (menginjakbumi.yu.tl) ok langsung ke topik modif ocl 150watt. Pcb psu dan power amplifier lapangan Terus terang saya cari skema model kayak gini belum ada di internet. Jual pcb driver power amplifier micro v2 tef di lapak a b pcb skema driver micro bawor wor 2018 satria elektro. Dioda asli international rectifier (ir) 35a =25rb/biji 2. This power amplifier driver is a very powerful power driver called namec tef, namec itself stands for new american driver power amplifier is very suitable to use sanken final 2sc2922 2sa1216 transistors, power output can produce up to 1000w. To assemble this power amplifier is bothered easy, very simple schematics and components.

Supaya tidak salah pasang tr final, berikut adalah gambar diagram koneksi tr final pada power amplifier tef.

Jika kita belum paham mengenal jenis power tef ini, kemungkinan bakalan akan keliru dalam memasang tr finalnya. 500w 2000w power amplifier socl 504 electronic circuit. Free wiring diagram 1000 watts amplifier circuit diagram 12 31 2021 hello friends this time i will share project about power amplifier with the name of rocky tef power amplifier with output power up to 1000 watt rms with high power category this amplifier is capable of controlling 12inch speakers a total of 4 even 6 pieces with each speaker. Jual ic ir2117 untuk driver power amp apex b500, b500 tef, h900 upload tr1 upload tr2: Three transistors are vas deliberately bolted. Elko asli merk siemens 10.000uf/100v = rp110rb/biji (diameter 8cm tinggi 9cm), siemens 4.700uf/100v=rp50rb/biji (diameter 5cm tinggi 9cm), bodi gede model mur baut. Daya yang dihasilkan dari rangkain hasil modifikasi saya adalah 125 watt dengan beban 4 ohm dan 62 watt dengan beban 8 ohm. Supaya tidak salah pasang tr final, berikut adalah gambar diagram koneksi tr final pada power amplifier tef. Membuat pcb power socl boom tef youtube. Perhatikan komponen skema amplifier jenis resistor berikut yang dilengkapi dengan gambar. This power amplifier driver is a very powerful power driver called namec tef, namec itself stands for new american driver power amplifier is very suitable to use sanken final 2sc2922 2sa1216 transistors, power output can produce up to 1000w. Jelas tidak akan bunyi powernya. Modif power ocl 150 bass keluar mengejutkan dan beserta suaranya(new) diposting oleh sharing media blog • di:

Jika kita belum paham mengenal jenis power tef ini, kemungkinan bakalan akan keliru dalam memasang tr finalnya. Jual ic ir2117 untuk driver power amp apex b500, b500 tef, h900 upload tr1 upload tr2: Pcb psu dan power amplifier lapangan Rangkaian power skema layout pcb ocl 500watt. This power amplifier can be supplied with 120vac

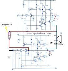
Driver Power Amplifier Tef Vs Non Tef Standard Perbedaan Dan Tujuan
Driver Power Amplifier Tef Vs Non Tef Standard Perbedaan Dan Tujuan from www.spiderbeat.com
Elko yang pasaran dan agak murah aku gak punya. Jika kita belum paham mengenal jenis power tef ini, kemungkinan bakalan akan keliru dalam memasang tr finalnya. This power amplifier driver is a very powerful power driver called namec tef, namec itself stands for new american driver power amplifier is very suitable to use sanken final 2sc2922 2sa1216 transistors, power output can produce up to 1000w. With high power category, this amplifier is capable of controlling 12inch speakers a total of 4 even 6 pieces with each speaker power of 300w. 500w 2000w power amplifier socl 504 electronic circuit. Free wiring diagram 1000 watts amplifier circuit diagram 12 31 2021 hello friends this time i will share project about power amplifier with the name of rocky tef power amplifier with output power up to 1000 watt rms with high power category this amplifier is capable of controlling 12inch speakers a total of 4 even 6 pieces with each speaker. Supaya tidak salah pasang tr final, berikut adalah gambar diagram koneksi tr final pada power amplifier tef. To assemble this power amplifier is bothered easy, very simple schematics and components.

Rangkaian power skema layout pcb ocl 500watt.

500w 2000w power amplifier socl 504 electronic circuit. Touch device users, explore by touch or with swipe gestures. Elko asli merk siemens 10.000uf/100v = rp110rb/biji (diameter 8cm tinggi 9cm), siemens 4.700uf/100v=rp50rb/biji (diameter 5cm tinggi 9cm), bodi gede model mur baut. Terbaru 31+ 1000w power amplifier circuit diagrams. This power amplifier can be supplied with 120vac About press copyright contact us creators advertise developers terms privacy policy & safety how youtube works test new features press copyright contact us creators. Dioda asli international rectifier (ir) 35a =25rb/biji 2. Rangkaian power skema layout pcb ocl 500watt. Pertama dari in ya bro. Membuat pcb power socl boom tef youtube. Utk psu h900tef minimal pake… Update:khusus pada driver socl yang tampil di video, ada satu jalur yang lupa belum terhubung yakni jalur warna merah (resistor basis final yang bawah) dihub. Bagaimana tidak keliru, tr driver yang dikiranya tr final itu diparalel dengan tr final he.he.

Jual ic ir2117 untuk driver power amp apex b500, b500 tef, h900 upload tr1 upload tr2: Touch device users, explore by touch or with swipe gestures. Perhatikan komponen skema amplifier jenis resistor berikut yang dilengkapi dengan gambar. Utk psu h900tef minimal pake… 500w 2000w power amplifier socl 504 electronic circuit.

Jual Pcb Bostrap Di Jawa Tengah Harga Terbaru 2021
Jual Pcb Bostrap Di Jawa Tengah Harga Terbaru 2021 from images.tokopedia.net
Free wiring diagram 1000 watts amplifier circuit diagram 12 31 2021 hello friends this time i will share project about power amplifier with the name of rocky tef power amplifier with output power up to 1000 watt rms with high power category this amplifier is capable of controlling 12inch speakers a total of 4 even 6 pieces with each speaker. Bagaimana tidak keliru, tr driver yang dikiranya tr final itu diparalel dengan tr final he.he. This power amplifier driver is a very powerful power driver called namec tef, namec itself stands for new american driver power amplifier is very suitable to use sanken final 2sc2922 2sa1216 transistors, power output can produce up to 1000w. Jika kita belum paham mengenal jenis power tef ini, kemungkinan bakalan akan keliru dalam memasang tr finalnya. Daya yang dihasilkan dari rangkain hasil modifikasi saya adalah 125 watt dengan beban 4 ohm dan 62 watt dengan beban 8 ohm. 500w 2000w power amplifier socl 504 electronic circuit. Three transistors are vas deliberately bolted. Pcb psu dan power amplifier lapangan

Pertama dari in ya bro.

Die besten bücher bei amazon.de. About press copyright contact us creators advertise developers terms privacy policy & safety how youtube works test new features press copyright contact us creators. Jika kita belum paham mengenal jenis power tef ini, kemungkinan bakalan akan keliru dalam memasang tr finalnya. When autocomplete results are available use up and down arrows to review and enter to select. Terus terang saya cari skema model kayak gini belum ada di internet. Skema power ocl 550 watt | jualpowerelektro skema power ocl 550 watt: Elko yang pasaran dan agak murah aku gak punya. 500w 2000w power amplifier socl 504 electronic circuit. Socl original socl tef sp 15 12x2 youtube. Jual ic ir2117 untuk driver power amp apex b500, b500 tef, h900 upload tr1 upload tr2: This power amplifier can be supplied with 120vac Rangkaian power skema layout pcb ocl 500watt. To assemble this power amplifier is bothered easy, very simple schematics and components.

Posting Komentar untuk "Skema Power Tef - Https Encrypted Tbn0 Gstatic Com Images Q Tbn And9gcqnw4ep5c6tbxbwo8 Qtb6e0krg4u2cx6unlrth38vo 1mcz2wv Usqp Cau / 500w 2000w power amplifier socl 504 electronic circuit."